全国免费咨询热线
0755-86037972
13689507130
您当前所在位置:首页>>ALPS>>ALPS>>ALPS贴片薄膜开关
产品中心
联系我们

电话:0755-86037972

手机:13689507130

QQ:1178567852

邮箱:zhouml@mljkm.com

地址:深圳市南山区南油第四工业区 4栋306

立即沟通
SKTK系列锅仔开关

全国服务热线
0755-86037972
立即沟通
  • 产品介绍
  • 产品图

品牌:ALPSALPINE阿尔卑斯阿尔派

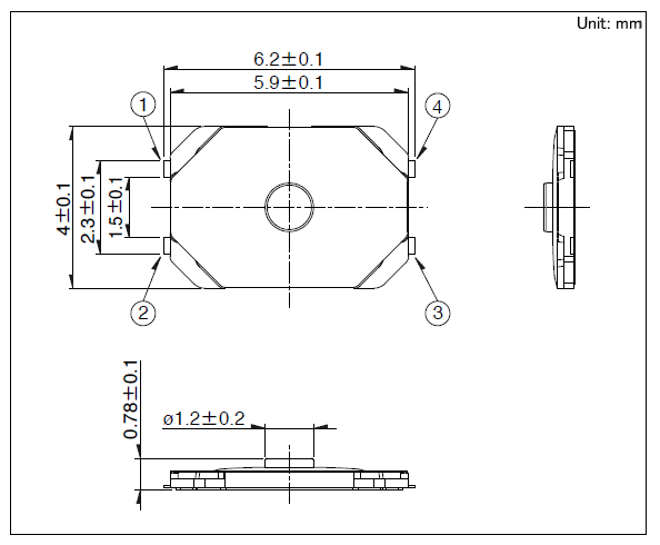
尺寸:5.9*4.0mm

安装方式:表面贴装

产品特点:防水,防尘,实现舒适,可靠操作的100万次长寿命型。

按键力度:2.5N

按键寿命:100万次

按键行程:0.23mm

应用领域:智能手机,平板电脑,头戴式耳机,家庭用便携设备&周边设备等。


产品编号动作力操作方向行程操作寿命初期接触电阻
SKTKABE0102.5NTop push0.23mm1,000,000 cycles500mΩ max.


1.png

2.png

采购留言
Copyright © 2021 All Rights Reserved 深圳市麦科德科技有限公司·版权所有 备案号:粤ICP备15092030号-2