全国免费咨询热线
0755-86037972
13689507130
您当前所在位置:首页>>ALPS>>ALPS>>ALPS传感器
产品中心
联系我们

电话:0755-86037972

手机:13689507130

QQ:1178567852

邮箱:zhouml@mljkm.com

地址:深圳市南山区南油第四工业区 4栋306

立即沟通
RD6R1A0008旋转型传感器

全国服务热线
0755-86037972
立即沟通
  • 产品介绍
  • 产品图

品牌:ALPSALPINE(阿尔卑斯阿尔派)

RD6R1A系列产品特点:可符合线性规定的长寿命型。

动作寿命:50万次

应用领域:汽车导航仪 汽车音响 HVAC


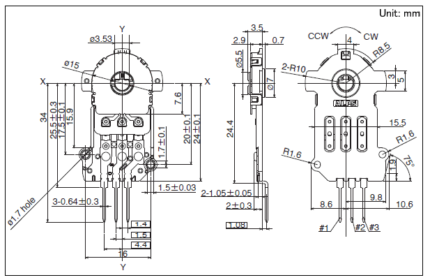
产品编号安装方法总电阻值电气有效可变角度线性保证范围线性通孔形状动作寿命
RD6R1A0008Connector type3.8kΩ320°310°±2% (320°)φ3.53500,000 cycles


1.png


2.png

采购留言
Copyright © 2021 All Rights Reserved 深圳市麦科德科技有限公司·版权所有 备案号:粤ICP备15092030号-2